产品详情
火灾声光警报器FDS701C-Ex产品介绍:
• 内置微处理器
• 醒目的超大面光源设计
• 独特的声腔设计,满足在高背景噪声环境使用
• 宽范围工作温度,适应工业场所使用
• 左右端口进线,端子采用插拔式、方便调试及维修
• 抗电磁辐射
• 灯罩采用高强度、高透明、抗冲击的 PC 材料
• 防尘、防爆、防腐蚀、防雨淋设计,无需防雨罩可直接在室外使用
• 满足国标 GB 26851-2011“火灾声和/或光警报器”、GB 3836.1-2010“爆炸性环境第1部分:设备通用要求”和 GB 3836.2-2010“爆炸性环境第2部分:由隔爆外壳“d”保护的设备”
• 适用于具有防爆要求的1区及2区防爆场所;或露天、室外使用


技术数据 | |
工作电压 | DC 24 V(允许范围18 V ~ 32 V) |
工作电流 | ≤ 800 µA / DC 24 V |
报警电流 | ≤ 50 mA / DC 24 V |
环境温度 | -40 ºC ~ +60 ºC |
环境湿度 | ≤ 95% R.H.无凝露 |
运行指示灯 | (红色) 正常时,间隔 8 s 闪亮一次 |
闪光频率 | 1.0 Hz ~ 1.2 Hz |
变调周期 | 0.5 s ~ 1.5 s |
声压级 | 75 dB ~ 110 dB |
防护等级 | IP66 |
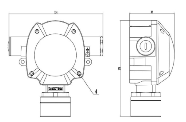
防爆标志 | Ex d ⅡC T6 Gb |
材质 | 铸铝 |
接口螺纹 | 3 - M25×1.5 (内螺纹) |
执行标准 | GB 26851-2011、 GB 3836.1-2010、GB 3836.2-2010 |
尺寸 | 长 174 mm×宽 178 mm×高 83 mm |
重量 | 0.925 kg |
颜色 | 外壳:纯白,RAL9010 上盖:红色 |
接线端子 | 插拔式端子 |
留下您的留言



